珀金斯柴油機配件銷售U5LP0055B活塞、曲軸
項目 零配件號碼 最近的部分號碼
1 ZZ90161 1 ZZ90161 曲軸裝備
(1) ZZ90161P 1 ZZ90161P 曲軸裝備 -交換
8 ZZ90074 1 ZZ90074 連桿總成
14 U5PR0038B 1 活塞及圈裝備
14 U5PR0039B 1 活塞及圈裝備
14 U5PR0038 4 活塞及圈裝備
14 U5PR0039 1 活塞及圈裝備
15 U5LP0044B 1 U5LP0055B 活塞裝備
15 U5LP0045B 1 U5LP0056B 活塞裝備
15 U5LP0044 1 U5LP0155 活塞裝備
15 U5LP0045 1 U5LP0156 活塞裝備
99 1 。

項目 零配件號碼 最近的部分號碼
2 M113AF02 1 ZZ90161 曲軸裝備
5 U5MB0006A 1 U5MB0006A 曲軸瓦裝備 -U/S
5 U5MB0006 1 U5MB0006 曲軸瓦裝備
6 U5ME0004A 1 U5ME0004A 大頭 BRG 裝備 -U/S
6 U5ME0004 1 U5ME0004 連桿瓦裝備
7 41159001 1 41159001 止推墊圈裝備

項目 零配件號碼 最近的部分號碼
9 4 CONROD
10 4 橋承蓋
11 L112CF01 4 L112CF01 連桿小的一端襯套
12 L2153F01 8 L2153F01 螺旋
13 L3551F01 8 L3551F01 連桿螺帽

項目 零配件號碼 最近的部分號碼
20 M181CF01 1 M181CF01 活塞環(huán)裝備
20 M181CF02 1 M181CF02 活塞環(huán)裝備
Item Parts No. Qty. Latest Part No. Description Cut Out Cut In Comment
2 1 PISTON RING
3 1 PISTON RING
4 1 Check History PISTON RING
Item Parts No. Qty. Latest Part No. Description Cut Out Cut In Comment
2 1 PISTON RING
3 1 PISTON RING
4 1 Check History PISTON RING

項目 零配件號碼 最近的部分號碼
16 1 活塞
17 1 銷
18 2721 A021 1 2721 A021 CIRCLIP
19 2721 A021 1 2721 A021 CIRCLIP

項目 零配件號碼 最近的部分號碼
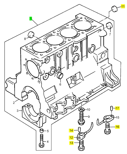
1 M145AF06 1 M145AF06 缸體總成
11 32417136 1 32417136 栓塞
12 L531TF03 2 L531TF03 噴射
13 L218RF01 2 L218RF01 螺拴
14 2116 A655 2 2116 A655 合釘
15 L531TF04 2 L531TF04 噴射
16 L218RF01 2 L218RF01 螺拴
17 2116 A655 2 2116 A655 合釘
Item Parts No. Qty. Latest Part No. Description Cut Out Cut In Comment
2 1 CYLINDER BLOCK
3 5 BEARING CAP
4 L278CF03 10 L278CF03 SCREW
5 L312FF01 10 L312FF01 DOWEL
6 L2416F01 3 L2416F01 PLUG
7 L2416F01 1 L2416F01 PLUG
8 L2416F01 4 L2416F01 PLUG
