珀金斯900柴油機配件進(jìn)口U5MW0097水泵
項目 零配件號碼 最近的部分號碼
1 37172483 1 37172483 油底殼
2 32186405 1 32186405 栓塞
3 2415715 1 2415715 密封 - O 的圈
4 41424209 1 21826370 密合墊 -油底殼
5 3688 V003 1 密封 -油底殼
6 3688 V002 1 密封 -油底殼
7 0826265 2 0826265 圖釘
8 0576002 2 0576002 螺帽
9 0920053 2 0920053 墊圈
10 0826285 1 0826285 圖釘
11 0576002 1 0576002 螺帽
12 0920053 1 0920053 墊圈
13 0746211 11 0746211 螺拴
14 0920053 11 0920053 墊圈
15 0096245 2 0096245 螺拴
16 0920053 2 0920053 墊圈
17 35137623 1 35137623 油管
18 38121531 1 38121531 托架
18 38311124 1 38311124 托架
19 0746052 1 0746052 螺拴
20 0920002 1 0920002 墊圈
21 0920052 1 0920052 墊圈
22 33817308 1 33817308 襯套
23 36631118 1 36631118 夾
24 0746053 1 0746053 螺拴
25 0920002 1 0920002 墊圈
26 0920052 1 0920052 墊圈
27 33532121 1 33532121 螺帽
28 0560244 1 0560244 橄欖
29 33242412 1 33242412 管
30 3178 C068 1 3178 C068 量油計
33 38156313 1 38156313 托架
34 36113131 1 36113131 間隔器
37 0920056 2 0920056 墊圈
38 0097109 1 0097109 螺拴
39 0920058 1 0920058 墊圈
54 2183509 2 2183509 螺旋

項目 零配件號碼 最近的部分號碼
1 37188571 1 37188571 汽缸蓋
2 36811115 1 36811115 密合墊 -CYL。 冒口蓋
3 0576102 2 0576102 螺帽
4 3314 P004 2 3314 P004 墊圈
5 3381 A003 2 3381 A003 墊圈
6 33872516 1 33872516 管 -呼吸者
7 31754118 1 31754118 彈簧
8 21825195 1 21825195 夾
9 36561129 1 36561129 夾
12 0920053 1 0920053 墊圈
13 36561129 1 36561129 夾
14 0748354 1 0748354 螺旋
15 0920002 1 0920002 墊圈
16 0920052 5 0920052 墊圈
17 3623 H005 1 3623 H005 板
17 36234114 1 36234114 堵塞蓋
18 36862512 1 36862572 密合墊
19 3623 H005 1 3623 H005 板
20 3578 X001 1 3578 X001 填隙料
21 2487854 1 2487854 加油口蓋
23 36837413 1 36837415 密合墊
24 2183208 2 2183208 螺旋
25 0920053 2 0920053 墊圈
26 2233204 1 2233204 螺旋
27 2233103 5 0748352 螺旋

項目 零配件號碼 最近的部分號碼
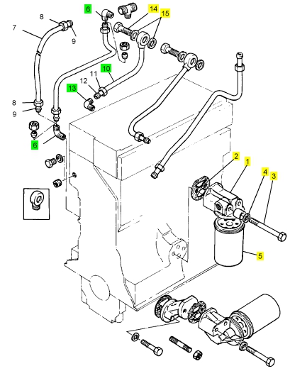
1 4134 E054 1 4134 E054 濾油器冒口
1 3773 H211 1 4134 E054 濾油器冒口
2 0490514 1 36813161 密合墊 - 濾油器的冒口
3 0096443 2 0096443 螺拴
4 33115129 2 33115129 墊圈
5 2654408 1 2654408 濾油器
6 0201047 2 0201047 連接
7 35352404 1 35352404 油管
10 35568109 1 35568109 油管
13 0201047 1 0201047 連接
14 0095350 1 0095350 螺拴
15 2411118 2 2411118 墊圈

項目 零配件號碼 最近的部分號碼
1 U5MW0023 1 U5MW0097 水泵
7 2232133 1 2232133 螺旋
8 0920053 1 0920053 墊圈
9 2235210 3 2235210 螺旋
10 0920053 3 0920053 墊圈
11 2431 A054 1 0650586 栓塞
12 31145741 1 31145741 水泵皮帶輪
13 U7LW0044 1 U5MW0097 修理裝備 - 水的泵
14 3623 H004 1 3623 H004 背板
15 37766364 1 37766364 恒溫器殼
16 2431 A054 1 0650586 栓塞
17 3685 A004 1 3685 A005 密合墊
18 2485666 1 2485666 恒溫器
21 0920053 1 0920053 墊圈
22 2183205 3 2183205 螺旋
23 0920053 2 0920053 墊圈
24 0096437 1 0096437 螺拴
25 0920054 1 0920054 墊圈
28 0920054 1 0920054 墊圈
29 3612 M002 1 3612 M002 板
30 0490485 1 36851416 密合墊
31 0746254 6 0746254 螺旋
32 0920053 6 0920053 墊圈
33 3765 T011 1 3765 T011 連接
34 3686 J002 1 3686 J003 密合墊 - 水的連接
37 0920053 2 0920053 墊圈
38 1 圖釘
39 1 螺帽
40 1 墊圈
41 U5MH0017 1 U5MH0017 水管裝備
45 U5MH0006 1 U5MH0006 水管裝備
49 0096441 1 0096441 螺拴
50 2183205 2 2183205 螺旋

項目 零配件號碼 最近的部分號碼
1 U5LT1139 1 U5LT1139 接合及密合墊裝備
3 3681 E024 1 3681 E024 密合墊 - 汽缸蓋
4 36851416 1 36851416 密合墊
5 36851119 1 36851119 密合墊 - 恒溫器的 HSG
6 36834154 1 36834154 密合墊
7 36811115 1 36811115 密合墊 -CYL。 冒口蓋
8 0921173 3 0921173 噴油器墊圈
13 3688 C009 2 3688 C009 密合墊 - 排出岐管
14 2415258 3 2415258 密封 - 閥轉(zhuǎn)桿
15 3681 V006 1 3681 V011I 密合墊 - IND 的岐管
16 36885008 1 36885008 密合墊 -渦輪增壓器
17 36832138 1 36832138 密合墊
